

![]() | |||
![]() | ![]() | ![]() | ![]() |
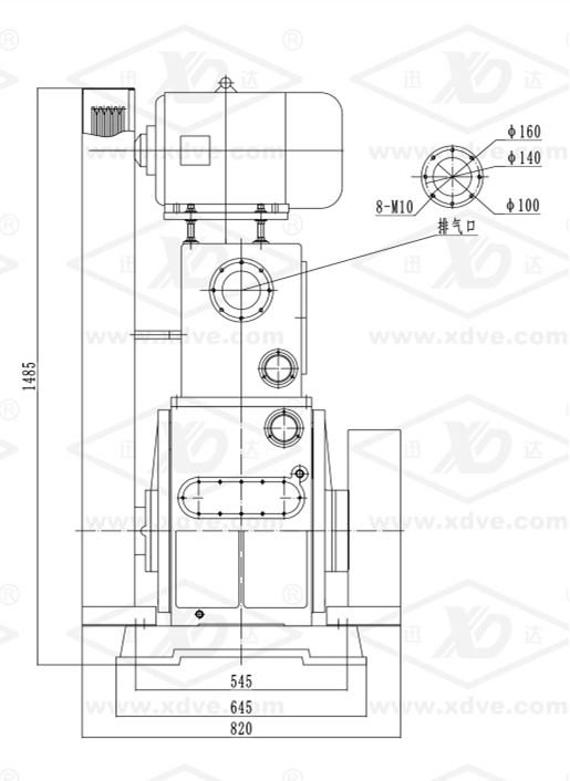
产品名称:迅达牌HS-150型滑阀泵
产品材质:铸铁
驱动方式:电动
抽 速:150L
产品功率:
极限压力:<1/<6.5
外形尺寸:1020×820×1500
进气口内径:
滑阀式真空泵(简称滑阀泵)工作原理是利用滑阀机构来改变吸气腔容积。与旋片泵一样,是一种变容式气体传输泵,其使用范围和运行条件也与旋片泵基本相同。
滑阀泵由于其结构特点,容量比旋片泵大得多,因此常常被用在大型真空设备上。滑阀泵有单级和双级两种型式,抽速大于等于150L/s的滑阀泵多采用单级型式。
本泵除具有H-150的功能外,最大特点是节能、环保、占地少。因其内部构造与H-150有所改进,因此配用电机功率11kw足以满足要求,达到节能目的。排气部分采用国外先进油气分离技术制造,使泵在充大气时,能有效地降低排出油气的污染,到达环保效果。此外,本泵为立式构造,占地面积少、外型美观,是目前市场较新颖且性价比很高的真空泵产品。
【抽速(s): 150L、极限分压/全压(Pa): <1/<6.5、长宽高(mm): 1020×820×1500、水冷】



了解更多产品资讯,请联系:
①微信客服(公众号“迅达真空”或“zqxdve”)
②联系电话: 0758-8518333
业务 莫小姐(13929881726)
业务/售 后(13602988222)
售后 莫先生(13929816168)