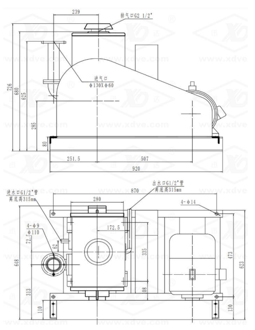
产品名称:迅达牌2X-40型旋片式真空泵 产品材质:铸铁 驱动方式:电动 抽 速:40(升/秒) 产品功率: 极限压力:6×10-2(pa) 外形尺寸:920x638x656 进气口内径:
旋片式真空泵(简称旋片泵)是一种油封式机械真空泵,是真空技术中最基本的真空获得设备之一。
旋片式真空泵,主要用于抽除密封容器中的干燥气体,但不适宜抽含氧量过高、有爆炸性、含有颗粒尘埃、对金属起腐蚀作用或对泵油起化学反应的气体。
旋片式真空泵,可供真空镀膜、压铸、吸塑、电子元件、教学和实验室等各种真空作业使用,普及于冶金、机械、军工、电子、化工、轻工、石油及医药等生产领域和科研部门。
旋片式真空泵,可以单独使用,也可以与其它高真空泵或超高真空泵(如: 增压泵、扩散泵、分子泵)作前级泵配合使用。
【抽速(s): 40L、极限压力(Pa): 6×10^-2、长宽高(mm): 920×638×656、水冷】
了解更多产品资讯,请联系:
①微信客服(公众号“迅达真空”或“zqxdve”)
②联系电话: 0758-8518333
业务 莫小姐(13929881726)
业务/售 后(13602988222)
售后 莫先生(13929816168)